Другая Другая, 2023 г.в.
9 380 $
Продано
Другая Другая, 2023 г.в.
Возможно, мошенник
Продано
Узнайте телефон на сайте партнера
Найдено
25.09.2024
ID:
65153146
Информация от владельца
| Объявление от | Автосалон |
| Коробка передач | Не указана |
| Тип топлива | Другое |
| Двигатель | 0 л |
| Привод | Не указан |
| Тип кузова | Другое |
| Цвет | Другой |
| Дата публикации | 25.09.2024 |
Продано
Комментарий продавца
Навісна система на 3 точки, СЦ37, призначена для оснащення заводських мототракторів з одноточковим причіпним вузлом. Використання триточкової системи дозволяє розширити діапазон навісного обладнання та можливості його налаштування.
Переваги навісної системи СЦ37
У порівнянні з ранніми моделями досягнута велика універсальність застосування за рахунок використання в конструкції спеціальних технічних рішень.
Навісна система встановлюється на коробку передач. Таке рішення дозволяє уникнути нестиковок при кріпленні зчіпки до редуктора фрези.
Передбачено кріплення для гідроциліндра. На мототракторах задній підйомний механізм має різну конструкцію.
Установка навісної системи на коробку дає можливість змістити центр ваги ближче до задньої осі трактора, що покращує стійкість при підйомі навісного обладнання.
Для уточнення сумісності мототрактора з навісною системою потрібно порівняти відстані між кріпильними отворами на каркасі зчіпки і на коробці перемикання передач мототрактора.
Крім цього, слід виміряти хід штока поршня підйомного механізму. Підйомний механізм зчіпки ефективно працює при ході штока 140-160 мм.
Конструкция универсальной навесной системы
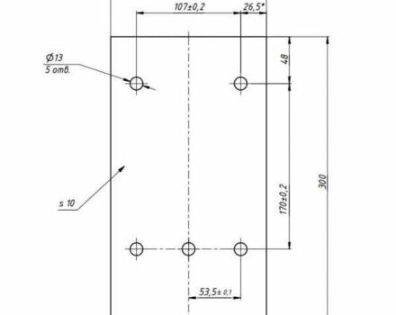
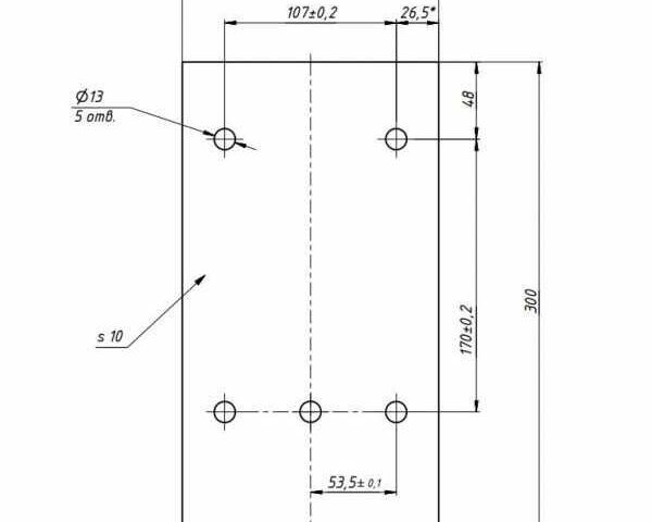
Основний вузол зчіпки – каркас. Він має в своїй основі сталеву плиту розміром 300 × 160 мм. Товщина плити – 10 мм. У плиті зроблені 5 кріпильних отворів діаметром 13 мм. Відстані між цими отворами потрібно порівняти при перевірці сумісності зчіпки і трактора. До каркаса кріпляться кронштейни талрепів і гідроциліндра. По центру розміщений кронштейн верхнього талрепа. Він складається з двох частин, які виготовлені зі сталевої полоси завтовшки 10 мм. У нижній частині хрестовини розміщені кронштейни з осями і проставками. Вони призначені для установки важелів і талрепів з приєднувальним вузлом. Важелі триточкової навісної системи виготовлені з двох зварених між собою сталевих смуг шириною 50 мм і товщиною 8 мм.
У верхній частині каркаса встановлений поворотний вузол з кріпленнями під вертикальні талрепи і гідроциліндр.
Перед покупкою триточкової навісної системи уважно вивчіть процес установки і конструктивні особливості навісної системи і трактора. За необхідності проконсультуйтеся стосовно усіх необхідних приєднувальних розмірів і перевірте відповідність зі своїм агрегатом. У різних партіях мототракторів можливі незначні відміннності конструктиву. Рамка кріплення крил мототрактора може впиратися в триточкову навісну систему. У цьому випадку можуть знадобитися доопрацювання.
Комплектація навісної системи:
каркас з кріпленням гідроциліндра (дві осі і проставки) – 1 комплект;
важелі – 2 шт.;
верхній талреп – 1 шт.;
талреп з приєднувальним вузлом – 2 шт.;
вертикальний талреп – 2 шт.;
тавотниця – 2 шт.
Вага комплекту – 40,5 кг.